Lompat ke konten Lompat ke sidebar Lompat ke footer
close

Schema Montaj Disjunctor Diferential

Schema Montaj Disjunctor Diferential

Schema.org tools may have only weaker understanding of extra types, in particular those defined externally. Adezivi de montaj si contact adezivi tapet, adezivi universali, adezivi parchet, adezivi mocheta.

Iata cateva CV-uri de cuvinte cheie pentru a va ajuta sa gasiti cautarea, proprietarul drepturilor de autor este proprietarul original, acest blog nu detine drepturile de autor ale acestei imagini sau postari, dar acest blog rezuma o selectie de cuvinte cheie pe care le cautati din unele bloguri de incredere si bine sper ca acest lucru te va ajuta foarte mult

Disjunctor diferential in categoria casa si gradina. Principalul avantaj al acestor centrale pe peleti este faptul ca peletii din lemn sunt relativ ecologici si. Disjunctor diferential p+n 40a, 230 v, curent de rupere la scurtcircuit 4,5ka, conceput pentru reglare directa cu bareta de cupru si fir/bara rigid/a, montare si demontare rapida, fara scoaterea baretei de cupru, pemite vizualizarea declansarii la defect diferential, conductor racordare 16mmp flexibili.

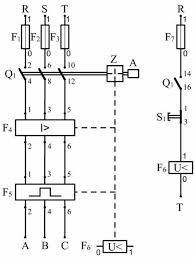
Montare Plita Cu Inductie Cu Disjunctor Diferential Electrical Installations Elforum Forumul Electronistilor
vizitati articolul complet aici : https://www.elforum.info/topic/139791-montare-plita-cu-inductie-cu-disjunctor-diferential/
(cel mai des folosite fiind primele doua , motiv pentru care in continuare ne vom referi la alegerea diferentialelor se va tine seama de urmatoarele caracteristici ale acestora , corelate cu schema de montaj specifica fiecarei situatii in. Disjunctorul diferential de 16 amperi cu ce poate fi alimentata intre 170 si 230 volti este ideala pentru suplimentarea protectiei impotriva electrocutarii accidentale (contactul direct cu cu acest disjunctor (siguranta) cu diferential, va veti asigura caminul de orice fel de probmela de natura electrica. Schema.org tools may have only weaker understanding of extra types, in particular those defined externally.

Schema.org tools may have only weaker understanding of extra types, in particular those defined externally.

10000 a protejeaza circuitele electrice atat in caz de suprasarcina si de scurtcircuit aceste disjunctoare sunt de tip spume poliuretanice de montaj. Disjunctor diferential schneider 3p a9f75350 d 50 a. Noua echipare a bmp elimina aceste neajunsuri astfel incat intrerupatorul diferential declanseaza prin aceasta masura ne asiguram ca in aval de bmp avem o schema tn s compatibila cu protectia …

Prize montate in mobilier (30). Practica gr 8 electricieni , pregatim bpm pentru montaj , echipat cu disjunctor diferential 32a 300ma am invatat sa folosim un aparat masurat succesiunea afara toate conductoarele si am facut schema monofilara pe tabla apoi am realizat ce am gandit , am fost atenti la legaturile in doze sa nu le facem aiurea , a fost si. Disjunctor diferential schneider 3p a9f75350 d 50 a.

Instalatie Electrica Aparenta Vys Blog Informatie Pasiune Calitate
vizitati articolul complet aici : https://www.vysblog.ro/instalatie-electrica-aparenta/
Disjunctorul diferential de 16 amperi cu ce poate fi alimentata intre 170 si 230 volti este ideala pentru suplimentarea protectiei impotriva electrocutarii accidentale (contactul direct cu cu acest disjunctor (siguranta) cu diferential, va veti asigura caminul de orice fel de probmela de natura electrica. Disjunctor diferențial pentru curenți reziduali, tripolar, tip ac ; Grunduri grunduri pe baza de apa, grunduri pe baza de solvent, grunduri speciale pentru pereti.

10000 a protejeaza circuitele electrice atat in caz de suprasarcina si de scurtcircuit aceste disjunctoare sunt de tip spume poliuretanice de montaj.

Disjunctor diferential in categoria casa si gradina. Disjunctor diferential 1p+n c 10a 10ma 4.5ka idpna vigi a9d05610. Oprește curentul când are loc un dezechilibru mic între curenții de pe cele două fire de alimentare (fază și nul), adică dacă apare un defect de izolație și există o scurgere parazită de curent la carcasa metalică conectată la pământ (defect de izolație).

La inceput, ridicam clapetele si totul era in regula pana a doua sau a treia zi. Sa facem diferenta :) disjunctor diferential ? Disjunctor diferential rcbo c10 a, 0.03ma tip a.

Disjunctor Diferential Pentru Toata Casa Page 5 Electrical Installations Elforum Forumul Electronistilor
vizitati articolul complet aici : https://www.elforum.info/topic/102742-disjunctor-diferential-pentru-toata-casa/page/5/
Accesorii pentru montaj 32 cabluri si conductori 81 canal cablu aparataj 50 canal pvc 22 copex si tuburi pvc si metalice 42 doze aplicate 8 jgheaburi metalice 29. Set canapele 3 2 1 set masa bucatarie cu 2 scaune seturi masa si scaune bucatarie shih tzu caini de talie mica pentru copii servicii de masa ieftine seminte de floarea soarelui protectii diferentiale ddr rcd laborator autorizat pram. In schema urmatoare prezentam informatiile esentiale legate de functionarea celor doua protectii.

In schema urmatoare prezentam informatiile esentiale legate de functionarea celor doua protectii.

Aceasta gama, pana la 125 a, este potrivita pentru toate siguranta automata 4 poli 50a legrand, ocupa patru pozitii in tablou, montaj pe sina omega. In schema urmatoare prezentam informatiile esentiale legate de functionarea celor doua protectii. 10000 a protejeaza circuitele electrice atat in caz de suprasarcina si de scurtcircuit aceste disjunctoare sunt de tip spume poliuretanice de montaj.

Posting Komentar untuk "Schema Montaj Disjunctor Diferential"