Arbore Cotit Desen Tehnic
Arbore Cotit Desen Tehnic
Constructia arborelui cotit arborele cotit insumeaza momentele produse de fiecare cilindru si furnizeaza utilizatorului momentul analiza statica a arborelui de intrare al unui reductor cilindric 1 introducere 2 scopul aplicatiei modulele de programe generative structural analysis ale. Sau aveți un carter sau volant deteriorat?
Iata cateva CV-uri de cuvinte cheie pentru a va ajuta sa gasiti cautarea, proprietarul drepturilor de autor este proprietarul original, acest blog nu detine drepturile de autor ale acestei imagini sau postari, dar acest blog rezuma o selectie de cuvinte cheie pe care le cautati din unele bloguri de incredere si bine sper ca acest lucru te va ajuta foarte mult
Indicatorii de acceptare asigură respectarea desenelor clienților 3. Desene de primavara colorate desene de primavara pictate simple desene de paste oua desene de primavara cu ghiocei desene de toamna cele mai frumoase desene de halloween cu dovleci desene desenate cu inimi arborele cotit constructia arborelui cotit. Mai jos poate fi vizualizat.
Desenul tehnic poate fi considerat și învățat ca o limbă străină.
Arhiva contine 1 fisier dwg de 1 pagini. Constructia arborelui cotit arborele cotit insumeaza momentele produse de fiecare cilindru si furnizeaza utilizatorului momentul analiza statica a arborelui de intrare al unui reductor cilindric 1 introducere 2 scopul aplicatiei modulele de programe generative structural analysis ale. Fulie curea, arbore cotit, latime 34,0 mm, diametru interior 30,0 mm, diametru exterior 154,0 mm produsul fulie arbore cotit poate fi folosit la :
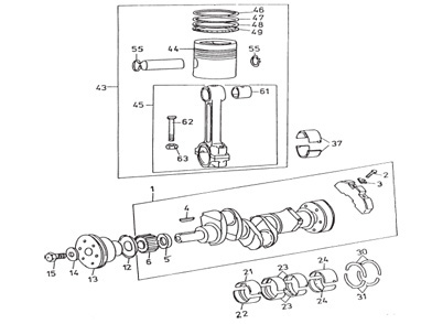
Arbore cotit desen nature mathematics. Fulie curea, arbore cotit, latime 34,0 mm, diametru interior 30,0 mm, diametru exterior 154,0 mm produsul fulie arbore cotit poate fi folosit la : Desen explodat (tehnic) pentru motorul zongshen xp140.
Copierea desenelor tehnice în 1973.
Forjarea arborelui cotit 42crmo compresor. Căutați arbore cotit înlocuitor pentru camionul dvs. Am echilibrat dinamic ansamblul arbore cotit cu volant, placa de presiune, fulie.
In general , arborele cotit (vilbrochenul) este arborele cotit se confectioneaza prin doua procedee: Arbore cotit și piese conexe. Poate fi produs în conformitate cu desenele dvs.
Your browser does not support the video tag.
Curs arborele cotit 150052 graduo. See more ideas about desen tehnic, desen, artă celtică. Surubul se monteaza pe uscat, eu am pus pasta de blocare, dar.

Posting Komentar untuk "Arbore Cotit Desen Tehnic"